SJK47-63 Miniature Circuit Breaker MCB DPN
Type Designation

| 1 | Circuit Breaker Model Number |
| 2 | Design Code |
| 3 | Frame Size Rated Current |
| 4 | Number of Poles (Arabic numerals, Neutral pole markedas N) |
| 5 | Instantaneous Release Type (C, D) |
| 6 | Rated Current Value |
product Display
Technical Parameters
| Mechanical and electrical lifespan (Ref.Table 2) | TABLE 2 | ||||||||
| Times | Operating frequency (t/h) | Rated current (A) | |||||||
| Electrical lifespan | 4000 | 240 | 6~32 | ||||||
| 120 | 40~63 | ||||||||
| mechanical life | 20000 | 240 | 6~63 | ||||||
| Overcurrent Protection Characteristics at 30°C~35°C (Ref. Table 3) | TABLE 3 | ||||||||
| No. | Rated Current of Release (A) | Initial State | Test Current | Specified Time | Expected Result | Notes | |||
| 1 | 6~63 | Cold State | 1.13In | t≤1h In≤63A | No Tripping | ||||
| 2 | 6~63 | Immediately after previous test post-test condition | 1.45ln | t<1h In≤63A | Tripping | Current Rises Steadily to Specified Value Within 5s | |||
| 3 | In≤32 | Cold State | 2.55ln | 1s<t<60s | Tripping | ||||
| In>32 | Cold State | 2.55In | 1s<t<120s | Tripping | |||||
| 4 | 6~63 | Cold State | 3In 5ln 5In 10ln 10ln 14ln | t≤0.1s t<0.1s | No Tripping Tripping | B Type | |||
| t≤0.1s t<0.1s | No Tripping Tripping | C Type | |||||||
| t≤0.1s t<0.1s | No Tripping Tripping | D Type | |||||||
| Wiring: For conductors ≤25mm² (Ref. Table 4),Connection method: Screw-clamp terminals, Torque 2N·m | Tabel 4 | ||||
| Rated Current In (A) | Nominal Cross-Sectional Area of Copper Conductor (mm²) | ||||
| 6 | 1 | ||||
| 10 | 1.5 | ||||
| 16, 20 | 2.5 | ||||
| 25 | 4 | ||||
| 32 | 6 | ||||
| 40, 50 | 10 | ||||
| 63 | 16 | ||||
Trip Characteristic Curve

| ◆Power Consumption per Pole (Ref. Table 5) | Tabel 5 |
| Rated Current In (A) | Maximum Power Consumption per Pole (W) |
| 6~10 | 2 |
| 16~32 | 3.5 |
| 40~63 | 5 |
| Ambient Temperature (°C) | -30 | -20 | -10 | 0 | 10 | 20 | 30 | 40 | 50 | 60 |
| Current Correction Factor | 1.30 | 1.25 | 1.20 | 1.15 | 1.10 | 1.05 | 1.00 | 0.95 | 0.90 | 0.85 |
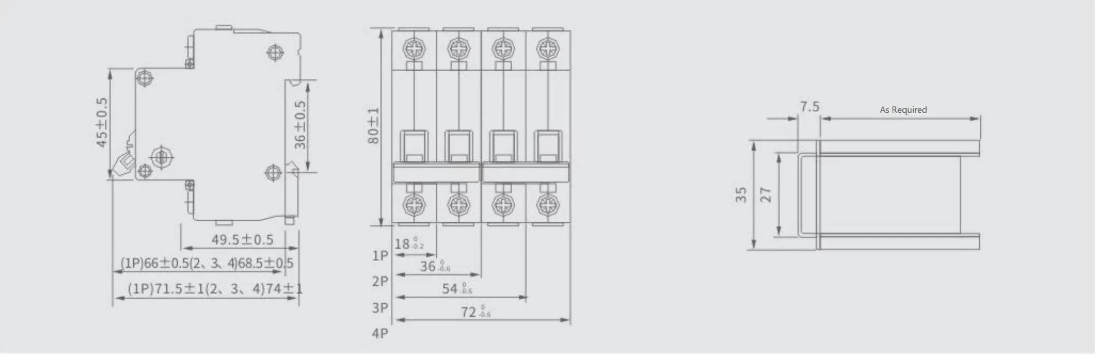
Outline and Installation Dimensions
Left Picture: Istallation Dimensions
Right Picture: TH35-7.5 Mounting Rail Dimensions







Claire
Mr.Fu

Claire










